甘肃陇神戎发药业股份有限公司的网站标识

网站内页装饰å›
News Focus
新闻动态
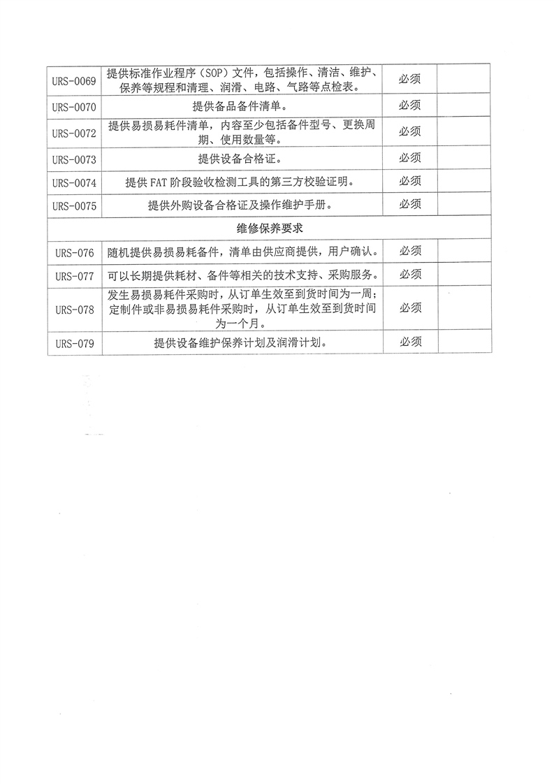
甘肃陇神戎发药业股份有限公司生产线十二道机(1号)包装线设备升级改造项目(补袋机)采购第二次竞争性磋商公告
日期:2023-11-10
来源:
浏览次数:
分享:










在线商城

陇神京东元胡止痛滴丸

陇神京东元胡止痛滴丸

百利青禾店

百利青禾店

普安康宣肺止嗽合剂

普安康宣肺止嗽合剂

抖音商城

抖音

抖音